ACCESO A SOLUCIONES bajo SUSCRIPCIÓN. SUSCRIPCIÓN GRATUITA!! para los usuarios que suban Averías solucionadas
Averia LG - 32LN575S

Avería en LG 32LN575S

By MARBUENDY

2019-08-20

0 4352
Toda la información relacionada con esta reparación ha sido proporcionada por MARBUENDY
PANEL:
MAINBOARD:
POWER:

Sintoma o defecto del TV

0 MARBUENDY
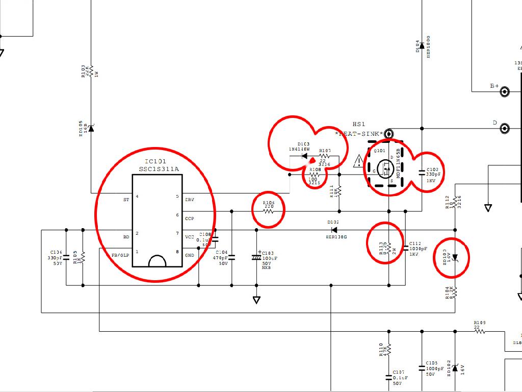
No enciende, esta muerta, kit de componentes averiados.

Repuesto utilizado en esta avería ya disponible en Store LCD

Comprar REPUESTO: COMPRAR

No hay comentarios para MARBUENDY

Comenta la reparación de la avería:

PUBLICIDAD

Reparación de placas electrónicas, recogida y entrega
Mainboard reacondionadas a buen precio
Reparación mainboard TD Systems en Doble R TV
Reparación de placas electrónicas, recogida y entrega

OFERTAS EMPLEO

- Albacete DERICHEBOURG AERONAUTICS SERVICES SPAIN
Derichebourg Aeronautics Services Spain selecciona perfiles de TMA - Técnico de Mantenimiento Aeronáutico para trabajar en Albacete. Buscamos perfi...